10 years to upgrade the value of thousands of enterprises
产品型号: ZB-810型
产品报价: 0
所 在 地: 扬州市江都区东方红东路26号
产品特点: 玻璃拉力小猪视频免费下载高清是针对有机玻璃、钢化玻璃等材料力学特性而研发的一款专用设备。玻璃材料具有强度高、延展性差等特点,有些脆性玻璃在测试过程中需加装防护网,以免发生伤人事故。
PRODUCTS CENTER
共创共赢
机台型号: ZB-810型
玻璃拉力小猪视频免费下载高清
一.玻璃拉力小猪视频免费下载高清概述
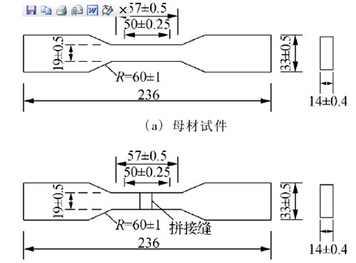
玻璃拉力小猪视频免费下载高清是针对有机玻璃、钢化玻璃等材料力学特性而研发的一款专用设备。玻璃材料具有强度高、延展性差等特点,有些脆性玻璃在测试过程中需加装防护网,以免发生伤人事故。玻璃片材试样制备应参照ASTM D638规范中规定的尺寸(见下图),使用专用夹持器夹持,且试片两端需垫PVC薄片,避免夹持器损伤片材而发生测试结果不准确的情况。
二.玻璃拉力小猪视频免费下载高清性能
A.采用高精度美国传力力量传感器,具有精度高,线性好等优点。
B.动力系统采用松下伺服电机+松下伺服驱动器+滚珠丝杆+行星铝制减速机+同步带传动,运行平稳,无噪音。
C.数据传输方式为USB传输,方便快捷。
D.测试软件可实现定速度、定位移、定荷重、定荷重增率、定应力增率、定应变增率等控制模式,满足不同的测试要求。
E.安全设施专业化,具有过载自动保护停机、上下行程限位保护停机、 漏电自动断电保护。
F.双报表编辑,内建EXCEL完全开放式报表,供测试者选择自己喜好的报表格式。
G.各长度、力量单位采用互换方式,力量单位T、Kg、N、KN、g、lb,变形单位mm、cm、inch。
H.测试结束自动存档、并根据试验要求自动得出力量、屈服强度、抗拉强度、弹性模量、延伸率、弯曲模量等等数据。
I.具有10多种语言切换功能。
三.玻璃拉力小猪视频免费下载高清参数
A. 传感器量程: 20-50KN 区间选配
B. 试验力示值分辨率: 1/300000
C. 试验力示值误差: ±0.5%
D. 引伸计示值误差: ±0.5%(选配)
E. 位移速率范围: 0.001-500mm/min
F. 试验空间: 900mm(含夹持器)
G. 测试宽度: 400mm
H. 专用电脑: 清华同方品牌机/19寸液晶显示器/专用软件
I. 电源: 220V /50HZ
J. 功率: 1.0KW
K. 机台尺寸: 约640×720×2000 mm长×宽×高。
L. 机台重量: 约380Kg。
四.玻璃拉力小猪视频免费下载高清片材试样尺寸

地址:扬州市江都区东方红东路26号
电话: 0514-86511699 86520509
手机: 13852210796
传真:0514-86511799
邮箱:zb@zrtbdz.com
微信扫一扫
关注小猪视频下载免费观看的官方微信




